Home
About Us
Product Catalog
Auto Engine System
Auto Crank Mechanism
Auto Air Intake & Exhaust System
Auto Cooling System
Auto Fuel Supply System
Auto Ignition System
Auto Lubrication System
Auto Transmission System
Auto Braking System
Auto Suspension System
Auto Steering System
Auto Electrical System
Auto Accessories
Auto Air Conditioner System
Auto Lighting System
Auto Body Parts
Auto Tools
Technology Center
News Center
Service Marketing
Auto Engine System
Auto Crank Mechanism
Auto Air Intake & Exhaust System
Auto Cooling System
Auto Fuel Supply System
Auto Ignition System
Auto Lubrication System
Auto Transmission System
Auto Braking System
Auto Suspension System
Auto Steering System
Auto Electrical System
Auto Accessories
Auto Air Conditioner System
Auto Lighting System
Auto Body Accessories
Auto Body Parts
Auto Tools
Global Market
Contact Us
Head Office
Business Center
Return Group
Drive Axles
>>
C.V. Axle Parts
>>
Outer C.V. Joint
>>
Toyota
C.V.Joint For Toyota
"
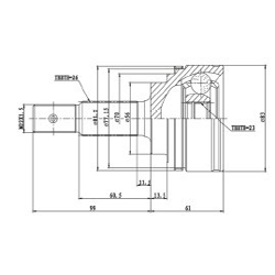
Product No.
ATRS203-TO064
Product Name
C.V.Joint For Toyota
Drawing No
.
TO-810
Outer Teeth
26
Inner Teeth
23
Oil Seal
56
ABS Ring Teeth
I/M/O
M
Applicable
Model
Year
Toyota
Click here to contact me!
Home
|
About Us
|
Product Catalog
|
Technology Center
|
News Center
|
Service Marketing
|
Global Market
|
Sitemap
|
Contact Us
|
Return Group
Copy©2011-2021 Chongqing Lange Machinery Group Co., Ltd. All Right Reserved